3A規格同芯ヘルールレジューサ
ISO規格と3A規格の変換レジューサです。各種サイズの変換に対応しています。
EX)8A/10A/15A/1.0S × 3A(1/2″ 1/4″ 3/8″ 3/4″)各種
※1″*1.0S、1″*1.5S等の特殊タイプもございます。
- 1個より製造・販売しております。
- 材料証明書、電解研磨証明書(電解研磨製品の場合)をお付けします。
3A規格 へルールレジューサ
| 材質 | SUS316L | |
|---|---|---|
| 接液部 表面処理 |
電解研磨 | バフ研磨#400+電解研磨 |
| 不動態化処理 | バフ研磨#400+電解研磨+不動態化処理 | |
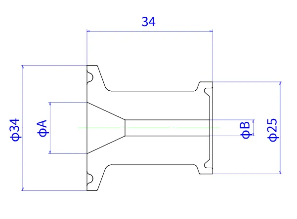
| ISO規格へルール | 3A規格へルール | 面間 | ||
|---|---|---|---|---|
| 口径 | A(内径) | 口径 | B(内径) | |
| 8A | 10.5 | 1/4″ | 4.4 | 34 |
| 8A | 10.5 | 3/8″ | 7.5 | 34 |
| 8A | 10.5 | 1/2″ | 9.4 | 34 |
| 8A | 10.5 | 3/4″ | 15.75 | 34 |
| 10A | 14.0 | 1/4″ | 4.4 | 34 |
| 10A | 14.0 | 3/8″ | 7.5 | 34 |
| 10A | 14.0 | 1/2″ | 9.4 | 34 |
| 10A | 14.0 | 3/4″ | 15.75 | 34 |
| 15A | 17.5 | 3/8″ | 7.5 | 34 |
| 15A | 17.5 | 1/2″ | 9.4 | 34 |
| 15A | 17.5 | 3/4″ | 15.75 | 34 |
| 1.0S | 23.0 | 1/2″ | 9.4 | 50 |
| 1.0S | 23.0 | 3/4″ | 15.75 | 50 |
| 1.5S | 35.7 | 1/2″ | 9.4 | 50 |
| 1.5S | 35.7 | 3/4″ | 15.75 | 50 |
- 上記以外のサイズも製作いたします。

